View All Images

No additional images for this property at this time.
No additional images for this property at this time.
No items found.
2306 Greenfield Dr.
Description
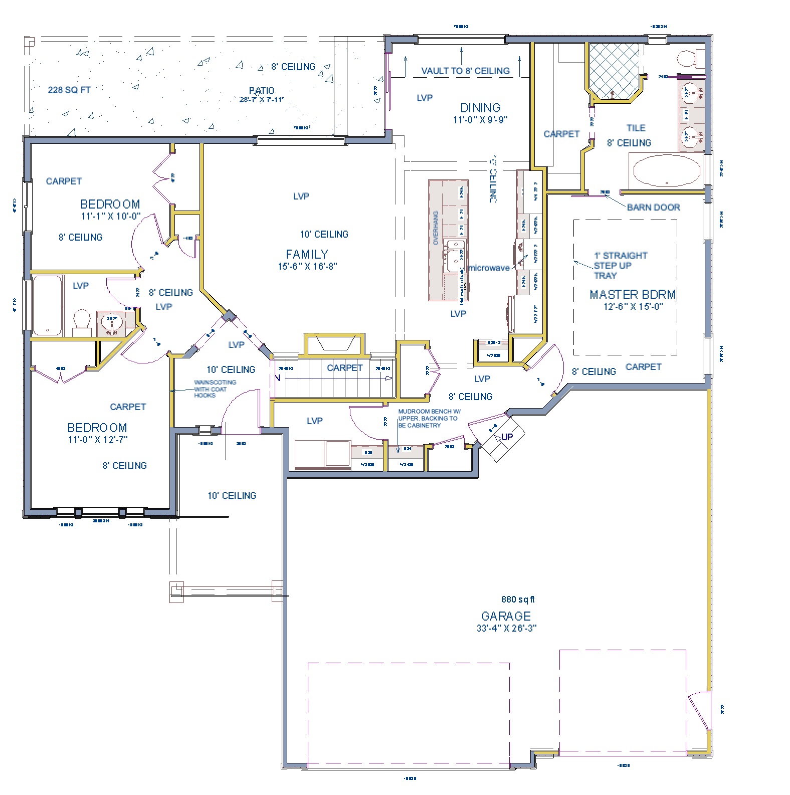
Beautiful new construction home offering 3,138 total sq ft, with 2,348 sq ft thoughtfully finished. The main level features 3 spacious bedrooms and 2 bathrooms, along with a well-designed laundry room and functional mudroom. Enjoy the open living space and step out to a covered back patio perfect for relaxing or entertaining. The partially finished basement includes a large family room with room to grow, offering potential for 2 additional bedrooms and a bathroom. Ample storage throughout and a 3-car garage complete this versatile and inviting home.
2306 Greenfield Dr. Pocatello, ID 83201
Under Construction
3
Beds
2
Baths
3138
Total
3
Car
0.24
acres
2348
Finished
For More Information








